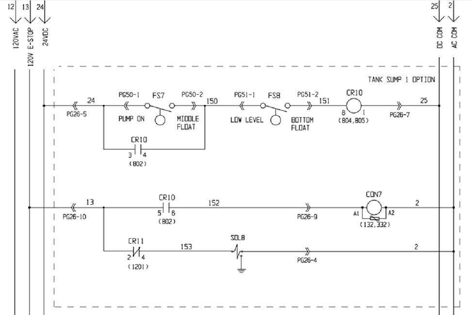
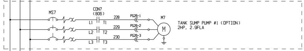
The sump pump is controlled by three floats: a Low Level float at the bottom, a Pump On float in the middle, and a High Level float at the top. We use a 24-volt signal sent through these floats to a relay that controls the pump’s high-voltage contactor. As liquid fills the tank, the Low Level float rises and closes its contacts. If the liquid level increases further, the Pump On float rises and closes its contacts as well. When both floats are closed, the relay receives 24 volts, activating it and closing its contacts. One contact keeps the relay powered—even if the Pump On float drops—until the tank empties and the Low Level float falls, shutting off the relay. Another set of relay contacts, when closed, sends 120 volts to the contactor, which then runs the pump.


When the High Level float rises, it sends 24 volts DC to the coil of a second relay. This relay’s contacts are normally closed, allowing 120 volts AC to keep the sump input drain solenoid open (see diagram above). When the float lifts, the relay energizes, opening its contacts and closing the solenoid to prevent more liquid from entering the sump pump tank. At the same time, a signal is sent to the computer, triggering the software to display a 'Sump Tank High Level' alarm.

The schematic diagrams depict Sump 1. All sump circuits are identical, though component identification will vary depending on the specific sump circuit you are working with.